Здесь мы собираем самые интересные статьи, интервью, репортажи и многое другое.
Библиотеки электронных компонентов для отечественных САПР
Белков И., Еремеев Ю., Малышев И.
Современные радиоэлектронные средства (РЭС) разрабатывают с применением систем автоматизированного проектирования (САПР). Конкурентоспособность, уменьшение времени морального старения во многом определяют сроки и качество проектирования. Несмотря на высокий уровень развития существующих САПР при создании опытных образцов выявляются недостатки изделий, требующие дополнительных доработок. Отсутствие информационных данных или их упрощение для отдельных составляющих изделия может негативно сказаться на качестве проектирования. Одними из широко применяемых составляющих в РЭС являются пассивные компоненты: резисторы, индуктивности, конденсаторы и т. п. Для эффективного использования всех этих компонентов разработчикам крайне необходимо описание изделий в цифровом формате.
Компания «НПО «ЭРКОН» выпускает пассивные электронные компоненты (резисторы, резистивные поглотители, чип-индуктивности и специальные изделия) и разрабатывает их модели и библиотеки, включая условные графические обозначения (УГО), посадочные места, трехмерные и поведенческие модели. Библиотеки моделей адаптированы для применения в различных средах проектирования, таких как Delta Design [1]. На сайте АО «НПО «ЭРКОН» доступны библиотеки выпускаемых компонентов [2] для САПР Delta Design. Перечень разработанных и доступных библиотек приведен во врезке.

Библиотеки компонентов классифицированы по типам – компоненты одного типа объединяются в семейство. Семейство указывает на принадлежность компонента к тому или иному типу, а также определяет позиционное обозначение на электрической схеме и перечень технических характеристик. Такой механизм ведения базы компонентов позволяет четко выстраивать структуру библиотеки в соответствии с типом и техническими характеристиками, присущими компонентам [3].
Библиотечный компонент может содержать информацию о целой линейке компонентов. Для этого используется механизм элементов серии, где элементом серии является конкретная технологическая реализация компонента. Элементы серии отличаются друг от друга значением какого-либо технического параметра и / или корпусом, но при этом, принципиально, являются одним компонентом. Такой механизм позволяет установить однозначное соответствие между компонентом в базе данных и техническим описанием (datasheet) (рис. 1). Такой подход позволяет упростить базу данных, так как не требует создания отдельного компонента для каждого элемента серии.
Рис. 1. Пример библиотеки электронных компонентов в DeltaDesign
Для описания компонента используются следующие данные:
- набор условных графических обозначений (УГО);
- набор топологических посадочных мест (ТПМ) – отображение компонента на печатной плате, представленное в виде участка платы, на котором расположен компонент;
- технические характеристики компонента (атрибуты);
- список параметров, который определяется семейством, к которому принадлежит компонент. Значения параметров задаются для каждого конкретного компонента и могут быть переданы для отображения на УГО и ТПМ (рис. 2).
В большинстве случаев в САПР УГО является связующим звеном, предоставляя доступ к основным свойствам и другим модельным реализациям. В зависимости от САПР с УГО могут быть связаны топологические посадочные места, spice-модели, атрибуты.
Атрибуты – это набор параметров изделия (номинальные значения основных характеристик, допускаемые отклонения, параметры надежности и т. д.), они приведены в табл. 1. Атрибуты являются справочными данными компонента.
Таблица 1. Пример атрибутов для резисторов в САПР Delta Design

В зависимости от типа компонента атрибуты могут содержать более 30 параметров, в том числе характеристики надежности, массу, номинальную температуру, КСВН, граничную частоту.
Размещение компонентов с использованием библиотеки посадочных мест позволяет:
- выполнить предварительную компоновку;
- учесть расположение компонента относительно соседних компонентов и элементов конструкции.
Размеры посадочных мест для компонентов выполнены с учетом ТУ, размеров конструкции резисторов и рекомендаций соответствующих международных стандартов ГОСТ Р МЭК 61188-5-1-2012, ГОСТ IЕС 61188-5-2-2013, IPC-7351A [4–6]. При реализации моделей изделий АО «НПО «ЭРКОН» в библиотеках посадочных мест и соответствующих 3D-моделей учтены возможности различной установки (рис. 2).
Рис. 2. Содержание библиотек АО «НПО «ЭРКОН» в САПР Delta Design
Для решения задач функционального проектирования РЭС необходимы поведенческие модели. В отличие от УГО, посадочных мест и трехмерных моделей, разработка которых не представляет принципиальных сложностей, хотя и требует знания конструкции компонента и определенных трудозатрат, создание адекватной поведенческой модели сложная техническая задача. Для резисторов и катушек индуктивности в зависимости от типа и задач при моделировании схем поведенческие модели могут включать различные свойства компонента: волновые параметры рассеяния, температурный коэффициент сопротивления (ТКС), зависимость индуктивности от тока и т. д. Некоторые параметры компонентов могут значительно изменяться от особенностей монтажа (например, частотные параметры). Для таких случаев разрабатывают общие модели, учитывающие различные влияющие факторы. Модель описывает компоненты одного типа с различными характеристиками (сопротивление, габариты и т. д.) без изменения общей структуры, используя набор значений параметров схемы замещения или коэффициентов математических зависимостей.
В большинстве современных САПР реализация поведенческих моделей выполняется с использованием SPICEсимулятора. В качестве примера ниже приведен пример такой модели для резистора Р1-161-0,06-50 Ом ± 5%, реализованной в САПР Delta Design с использованием стандартных выражений:

Использование такой модели позволяет получить резистор с зависимым от температуры значением сопротивления, при этом температурный коэффициент сопротивления (ТКС) также будет зависеть от номинального значения сопротивления резистора и температуры моделирования.
При разработке поведенческих моделей в частотной области используют метод оптимизации, включающий в себя поиск коэффициентов – значений параметров элементов эквивалентной схемы, характеристики которой тождественны результатам измерений. Результаты измерений отражают неидеальность компонента, которую модель учитывает в виде паразитных активных и реактивных элементов или прямых измерений.
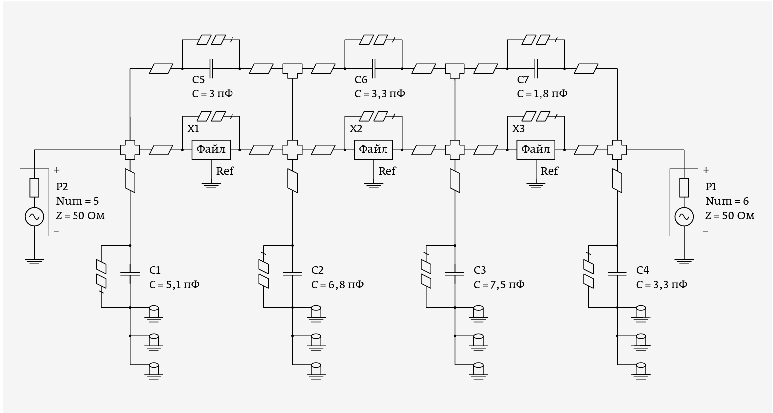
Рис. 3. Модель ФНЧ, выполненная в симуляторе электронных цепей QUCS
В качестве примера использования моделей на рис. 3 и 4 рассмотрена схема фильтров нижних частот. В первом случае использованы идеальные элементы, а во втором – модели чип-индуктивностей КИК 0603 10 нГн и топологические неоднородности печатной платы.
Рис. 4. Модель ФНЧ с моделями чип-индуктивностей и топологической структурой
На рис. 5 представлены частотные характеристики идеального фильтра в сопоставлении с характеристиками того же фильтра при замене идеальных элементов моделями чип-индуктивностей КИК 0603 10 нГн, а также характеристики с учетом влияния топологических неоднородностей.
Рис. 5. Частотные характеристики ФНЧ
Расчет с использованием моделей, включающих паразитные параметры, а также с учетом топологических неоднородностей позволяет на этапе проектирования точнее прогнозировать характеристики изделия и внести необходимые коррекции в конструкцию.
* * *
Формирование библиотек моделей является актуальной задачей. Это позволяет в удобной форме в рамках единой цифровой среды получить полное представление о компоненте – трехмерной визуализации, посадочных местах и основных технических характеристиках в различных условиях применения. На предприятии АО «НПО «ЭРКОН» целенаправленно и систематически разрабатывают модели выпускаемых изделий, адаптированные под разные задачи проектирования РЭС. Проводится работа по совершенствованию имеющихся моделей и расширению применяемых САПР. Модели размещены для использования в свободном доступе на официальном сайте www.erkon-nn.ru раздельно и в виде библиотек для САПР. Применение моделей АО «НПО «ЭРКОН» при проектировании позволит получить достоверные результаты, а также сократить сроки разработки РЭС.
И. Белков, к. т. н.1, Ю. Еремеев 2, И. Малышев, к. т. н.3
Статья впервые опубликована в журнале "ЭЛЕКТРОНИКА: НТБ" № 3 за 2022 год.
________________________________________________________________________________________________
ЛИТЕРАТУРА
-
ЭРЕМЕКС. САПР электроники Delta Design. https://www.eremex.ru/products/delta- design/ (дата обращения: 14.03.2022).
-
ЭРКОН. – https://www.erkon-nn.ru/ (дата обращения: 14.03.2022).
-
ЭРЕМЕКС. САПР электроники Delta Design https://www.eremex.ru/products/delta-design/liberty/ (дата обращения: 14.03.2022).
-
ГОСТ Р МЭК 61188-5-1-2012. Печатные платы и печатные узлы. Проектирование и применение. Часть 5–1. Анализ соединений (посадочные места для монтажа компонентов).
-
ГОСТ IЕС 61188-5-2-2013. Печатные платы и печатные узлы. Проектирование и применение
-
IPC-7351A. Общие требования по конструированию контактных площадок и печатных плат с применением технологии поверхностного монтажа.
Понравилась статья? Поставьте лайк

Industry Hunter
только что