Здесь мы собираем самые интересные статьи, интервью, репортажи и многое другое.
Нитрид галлия: новый подход для эффективного преобразования электроэнергии
Беспалов В., Егоркин В., Журавлёв М.
В полупроводниковой микроэлектронике во многих областях на смену традиционному Si приходят новые материалы. Для интегральных микросхем и изделий силовой электроники наибольший интерес представляет GaN, который обеспечивает более высокие уровни эффективности и плотности мощности.
В данной статье рассмотрено применение высоковольтных GaN-транзисторов при изготовлении блоков питания и беспроводных зарядных устройств. Показано, что простая замена кремниевых транзисторов на нитридгаллиевые в существующих схемах преобразования электрической энергии может вдвое снизить потери. Применение GaN-транзисторов позволяет изготавливать простые безмостовые схемы преобразования мощности с пиковой эффективностью выше 98% в диапазоне частот 100–200 кГц. Из-за низких потерь на переключение и высокой скорости переключения GaN-транзисторов некоторые схемы для беспроводной передачи энергии могут одновременно использоваться для НЧ- и ВЧ-применений.
ВВЕДЕНИЕ
В современных энергетических системах преобразование электрической энергии с уровня мощности в несколько гигаватт (линия электропередачи) до уровня нескольких милливатт (мобильный телефон) происходит поэтапно. Преобразование электроэнергии для передачи, распределения и потребления на стороне нагрузки осуществляют с помощью приборов силовой электроники [1]. Многие технические достижения последних лет, такие как электрический и гибридный транспорт, светодиодное освещение, солнечные батареи и т. п., стали возможны благодаря появлению эффективных многоступенчатых систем преобразования электрической энергии [2]. Высокая эффективность достигается использованием силовых полупроводниковых преобразователей с низкими потерями. Современные силовые схемы в основном построены на основе кремниевых МОП-транзисторов (MOSFET), IGBT и тиристоров [3]. Однако у силовых полупроводниковых устройств на основе кремния имеется несколько существенных ограничений:
-
высокое сопротивление. Относительно малая ширина запрещенной зоны Si (1,12 эВ) и низкая критическая напряженность электрического поля (0,3 МВ / см) приводят к значительной толщине высоковольтного устройства и, как следствие, к высокому сопротивлению;
-
низкая частота переключения. Для снижения потерь проводимости силовые МОП-транзисторы на кремнии изготавливают на кристаллах большой площади [4]. В результате высокая емкость затвора и заряд затвора создают большие пиковые токи и потери на высоких частотах переключения. У кремниевых IGBT-транзисторов кристалл может быть меньше, чем у МОП-транзисторов, поскольку в них используются неосновные носители для модуляции проводимости, но большое время жизни неосновных носителей и необходимость их компенсации снижают частоту переключения IGBT. На практике кремниевые системы большой мощности работают на низких частотах (<10 кГц), и это приводит к необходимости увеличения пассивных компонентов (например, катушек индуктивности, конденсаторов) в преобразовательных устройствах, что значительно повышает их массо-габаритные характеристики;
-
низкие рабочие температуры. Большая собственная концентрация носителей заряда в кремнии и малая ширина запрещенной зоны приводят к высоким токам утечки при повышенных температурах. Из-за этого максимальная рабочая температура многих IGBT – 175 °C [5].
Внедрение нитрида галлия (GaN) в электронную промышленность дает возможность обойти указанные ограничения [6]. Высокая критическая напряженность электрического поля (3,3 МВ / см) позволяет изготавливать транзисторы с напряжением пробоя более 1 кВ, которые могут заменять элементы кремниевой электроники, повышая плотность мощности. Кроме того, сильный пьезоэлектрический эффект вызывает образование двумерного электронного газа (2DEG) с очень высокой концентрацией на гетерогранице GaN / AlGaN, что позволяет достичь очень малых значений сопротивления транзистора в открытом состоянии (Ron < 50 мОм при токах до 30 А). Наконец, низкое значение произведения сопротивления в открытом состоянии на заряд затвора (Ron × Qg) и отсутствие неосновных носителей заряда позволяют добиться значительного снижения коммутационных потерь. В данной статье рассматривается использование нитридгаллиевых схем на примере двух ключевых промышленных приложений: серверные блоки питания для центров обработки данных (ЦОД) и беспроводные зарядные устройства.
СЕРВЕРНЫЕ БЛОКИ ПИТАНИЯ
На оплату электроэнергии приходится 30–35% операционных затрат на содержание ЦОД [7]. Для повышения энергоэффективности центров обработки данных необходимо обеспечить преобразование как можно более высоких напряжений на уровне серверной стойки, где пространство ограничено и требуется надлежащее управление температурным режимом. Обычно в современных серверах применяют блоки питания с напряжением 12 В, эффективность которых составляет около 84%. Чтобы уменьшить потери в шинах и уменьшить количество этапов преобразования энергии на пути распределения мощности, лидеры отрасли, такие как Google, Facebook, Cisco и IBM, уже внедряют новую конструкцию ЦОД с распределительной шиной более высокого напряжения, например 48 или 400 В вместо 12 В [8]. Заметна явная тенденция к достижению в ЦОД и распределенных энергосистемах более высоких значений эффективности и плотности мощности.
Современные блоки питания состоят из выпрямителя, корректора коэффициента мощности и преобразователя напряжения постоянного тока. В классической серверной плате два блока питания, обеспечивающих резервирование друг друга. Причем мощности каждого блока питания достаточно, чтобы обеспечить максимальное энергопотребление серверной платы. Классический мостовой выпрямитель показан на рис. 1. Его основной недостаток – выпрямляемый переменный ток постоянно проходит через два диода. Падение напряжения на диоде составляет около 0,7 В в зависимости от тока, протекающего через него, и технологии изготовления. Это является основной причиной потери мощности в диодном мосте.
Рис. 1. Классический мостовой выпрямитель
В структуре мощных кремниевых МОП-транзисторов существует паразитный диод, подключенный параллельно полевому транзистору. Такая особенность позволяет изготовить мостовой выпрямитель на транзисторах. В современных синхронных мостовых выпрямителях (например, серия Infineon IR116X) диод пропускает только очень короткую часть сигнала в зависимости от времени запаздывания контроллера полевых транзисторов, а основная часть синусоидального входного тока проходит через полевые транзисторы. При протекании тока в p-n-переходах накапливаются неосновные носители заряда. При переключении транзистора необходимо дополнительное время на рассасывание этого заряда. В результате при коммутации МОП-транзистора в цепи «сток – исток» могут формироваться большие импульсы тока.
Нитридгаллиевые транзисторы содержат носители только одного типа и, как следствие, накапливают в 20 раз меньший паразитный заряд по сравнению с кремниевыми аналогами [9]. Прямая замена кремниевых транзисторов на нитридгаллиевые в однофазном AC / DC-преобразователе может снизить потери и повысить плотность мощности. Например, однофазный фотоэлектрический инвертор мощностью 2 кВт, использующий GaN-транзисторы GS66508 компании GaN Systems с рабочим напряжением 650 В и имеющий обычную полную мостовую топологию с «жестким» переключением с частотой 100 кГц, достиг пиковой эффективности 97,6% и удельной мощности 6,22 Вт / см3 [10].
Рис. 2. Мостовой выпрямитель с дополнительным повышающим преобразователем
Государственные стандарты запрещают изготовление и продажу силовых устройств, если не обеспечивается равномерный отбор мощности. Чтобы решить эту проблему, применяют корректоры коэффициента мощности, например показанный на рис. 2 повышающий преобразователь напряжения [11]. Однако добавление дополнительных преобразователей электрической энергии в схему приводит к дополнительным потерям.
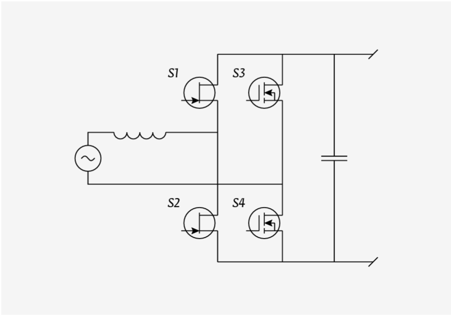
Применение GaN-транзисторов может возродить некоторые простые схемы, утратившие популярность в преобразователях на кремниевых МОП-транзисторах из-за ограничений производительности [12]. Одним из примеров служит двухтактный безмостовой преобразователь мощности, показанный на рис. 3 [13]. Эта самая простая схема среди различных вариантов выпрямителя с коррекцией коэффициента мощности содержит «быстрое» плечо на GaN-транзисторах S1 и S2, работающее на частоте коммутации, и «медленное» плечо, коммутирующее полуволны сетевого напряжения посредством диодов или МОП-транзисторов S3 и S4. Основное преимущество безмостовых повышающих корректоров коэффициента мощности (ККМ) в том, что оба транзистора S1 и S2 могут управляться одним и тем же сигналом, что значительно упрощает создание схемы управления. Замена диодов, коммутирующих сетевое напряжение, МОП-транзисторами позволяет снизить потери за счет меньшего падения напряжения в открытом состоянии.
Рис. 3. Двухтактный безмостовой преобразователь мощности
Схема на рис. 3 не содержит выпрямительного диодного моста. Это уменьшает потери и повышает эффективность и плотность мощности. ККМ обычно работает в режиме непрерывных токов дросселя, что оказалось возможным благодаря низким коммутационным потерям и малому времени обратного восстановления, свойственным GaN-транзисторам. Сравнительно большая индуктивность входного дросселя ограничивает амплитуду бросков тока.
По данным компании GaN Systems, замена кремниевых транзисторов на нитридгаллиевые эффективно снижает коммутационные потери при преобразовании. Как сообщается в [14] и [15], двухтактный безмостовой преобразователь мощности на основе GaN-транзисторов может достигать КПД 99% при мощности 1,2 или 2,4 кВт на частоте 100 кГц при жестком переключении. В то же время соответствующие преобразователи на основе Si не могут эффективно работать на таких частотах в режиме непрерывного тока и требуют более сложных режимов (критический или гибридный) для достижения КПД 94,6% при 200 Вт [16].
В докладе директора по маркетингу компании GaN Systems [17] обсуждается зависимость пикового КПД и плотности мощности ККМ мощностью 1,5 кВт от частоты переключения в двух конфигурациях. Одна из них – повышающий ККМ с Si МОП-транзистором и SiC-диодом Шоттки, а другая – ККМ с GaN HEMT-транзистором GS66508B. Для кремниевых ККМ эффективность ограничивается качеством МОП-транзисторов и дополнительными потерями в мостовых диодах, а частота – величиной 100 кГц. То есть высокая плотность мощности недостижима. Относительно высокой плотность мощности может быть при использовании ККМ на основе GaN-транзисторов в диапазоне частот от 100 до 200 кГц, в то время как выше 300 кГц увеличение плотности мощности ограничено, а пиковая эффективность становится ниже 98% из-за увеличения потерь в катушке индуктивности и транзисторах. С ростом частоты кривая пикового КПД для ККМ на основе GaN остается гораздо более пологой по сравнению с ККМ на основе Si и SiC.
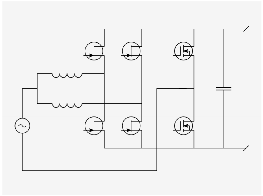
Рис. 4. Схема двухуровневого преобразователя мощности с чередованием
Очевидной проблемой одноуровневого преобразователя мощности является сильная пульсация тока переключения [18]. Она связана с плавающим потенциалом земли относительно входа переменного тока. Из-за этого даже небольшие паразитные емкости увеличивают уровень синфазных помех. В сети переменного тока для уменьшения электромагнитных помех и нелинейных искажений необходимо устанавливать фильтр электромагнитного шума, что увеличивает размеры схемы и приводит к высоким пассивным потерям. Кроме того, переключение по уровню входного напряжения или тока нагрузки вместо фиксированного периода переключения может изменить частоту переключения, что приводит к широкополосному шуму. Следовательно, может потребоваться дополнительный одноступенчатый фильтр на самой низкой частоте, что опять же увеличивает размер схемы. Чтобы справиться с этой проблемой, нужно использовать более сложные схемы, например, двухуровневую схему с чередованием [19]. Топология схемы показана на рис. 4. Сдвиг двух фаз на 180° относительно друг друга устраняет основную пульсацию переключения, что теоретически уменьшает размер фильтра на 50%. Таким образом, итоговый выбор схемы ККМ является результатом компромисса между размерами, стоимостью и эффективностью конечного решения.
Рис. 5. Резонансный LLC-преобразователь
Для DC / DC-преобразователя в серверном блоке питания привлекательным решением является высокочастотный резонансный LLC-преобразователь [20]. На рис. 5 показана топология полумостового резонансного LLC-преобразователя с частотой переключения 100 и 500 кГц. Очевидно, что с увеличением частоты размер пассивных элементов (например, трансформатора, резонансной катушки индуктивности и резонансного конденсатора) резко уменьшается, и, следовательно, повышается плотность мощности.
Рис. 6. Потери и КПД резонансного LLC-преобразователя мощностью 3 кВт на 500 кГц: GaN по сравнению с Si и SiC (● – эффективность, ■ – потери)
В докладе [17] обсуждаются преимущества коммерческих силовых транзисторов на основе GaN по сравнению с Si super-junction (SJ) и SiC МОП-транзисторами для резонансного LLC-преобразователя с мягким переключением. Разработан полумостовой резонансный LLC-преобразователь мощностью 3 кВт с выходным напряжением 48 В. Все три типа транзисторов работают на резонансной частоте 500 кГц. На рис. 6 приведены данные об эффективности и потерях для полумостовой LLC-схемы мощностью 3 кВт с разными транзисторами на частоте 500 кГц. На этой частоте основные различия в потерях связаны с транзисторами, поскольку потери для других компонентов, таких как трансформатор, катушка индуктивности, должны быть одинаковыми. Наличие двух типов носителей заряда в Si- и SiC-транзисторах создает паразитную емкость. В результате, в отличие от GaN, для Si и SiC доминирующими при переключении являются потери на выключении. По сравнению с GaN при переключении у Si потери в шесть раз больше, а у SiC – в четыре раза больше. Общие потери LLC-преобразователей на основе GaN примерно на 20% меньше, чем у схем на SiC, и на 37% меньше, чем у схем на Si. В конечном счете наибольшая эффективность достигается с помощью LLC-преобразователей на основе GaN.
Для уменьшения паразитных индуктивностей два нитридгаллиевых транзистора можно изготавливать в виде монолитной полумостовой схемы на едином кристалле, как это сделала, например, фирма GaN Systems в микросхеме EPC2104. По данным компании GaN Systems при увеличении частоты преобразования до 4 МГц эффективность монолитного полумоста превосходит реализацию на двух дискретных транзисторах примерно на 2% при пиковой эффективности [21].
БЕСПРОВОДНАЯ ПЕРЕДАЧА ЭЛЕКТРОЭНЕРГИИ
Беспроводная передача энергии (БПЭ) используется в качестве примера приложений, в которых могут быть задействованы однофазные преобразователи на основе GaN. Передача энергии большой мощности осуществляется в соответствии со стандартом Air Fuel Alliance на частоте 6,78 МГц. Традиционно в приложениях БПЭ используются преобразователи класса E, изготовленные из высокочастотных МОП-транзисторов на основе Si или SiGe. Из-за ограниченных характеристик транзисторов и высоких токовых нагрузок на резонатор эти системы часто рассчитываются на малую мощность и используют радиочастотные поля. Применение GaN элементной базы позволяет изготавливать мощные преобразователи. В [22] сообщается о подключенном к сети зарядном устройстве БПЭ с рабочими частотами 6,78 или 13,56 МГц и мощностью до 10 кВт. В работе [23] инверторный каскад мощностью 4 кВт, рабочей частотой 13,56 МГц и КПД 96,5% спроектирован с использованием 650 В GaN HEMT. Предлагаются различные топологии с использованием GaN-транзисторов для передающей стороны [24], акцентированные на повышение общей эффективности при меньшем количестве этапов преобразования. Общий КПД при полной нагрузке 100 Вт составляет 92,1%. Эти результаты ясно демонстрируют потенциал GaN-преобразователей в системе БПЭ для улучшения ее типичного низкого КПД, находящегося в диапазоне 50–70% [25].
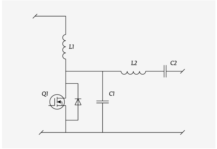
Электрическая схема несимметричного ВЧ-усилителя мощности класса E показана на рис 7. Q1 переключается на частоте 6,78 МГц с фиксированным 50%-ным рабочим циклом. Схема работает с переключением при нулевом напряжении. Необходимое для этого условие – сопротивление нагрузки должно быть чисто резистивным. Между усилителем мощности и передающим резонатором размещается схема согласования импеданса, предназначенная для нейтрализации влияния реактивных элементов.
Рис. 7. Несимметричный ВЧ-усилитель мощности класса E
Значения L2, C1 и C2 определяются в соответствии с резонансными частотами двух состояний переключения. Когда переключатель выключен, C1 параллельно с емкостью сток-исток Q1 дают более высокую резонансную частоту. Нижняя резонансная частота определяется L2 и C2. Частота переключения должна находиться между верхней и нижней резонансными частотами. Для достижения высокой эффективности усилителя мощности схема должна быть правильно настроена, и кроме того, выходной ток не должен быть слишком большим, поскольку это создает дополнительные потери мощности в L2.
Из-за низких потерь на переключение и высокой скорости переключения GaN-транзисторов некоторые схемы могут одновременно использоваться для НЧ- и ВЧ-применений. Например, в работе [26] представлен модулятор ширины импульса с селективным подавлением гармоник в системах БПЭ на основе GaN. Техника, которая использовалась для выборочного устранения низкочастотных гармоник в сетевых инверторах, теперь позволяет одному РЧ-инвертору одновременно использовать две выходные частоты как в широкополосном (100 кГц и 6,78 МГц), так и узкополосном двухканальном (87–300 кГц) режиме, демонстрирующем привлекательность в недорогих БПЭ-приложениях с несколькими приемниками. Расширенные многочастотные модуляторы ширины импульса также применяются в электрохирургических источниках питания, где ультразвуковой выход 50 кГц используется для рассечения и герметизации, а выход 500 кГц – для разрезания / коагуляции ткани [27].
СЛОЖНОСТИ С ВНЕДРЕНИЕМ РЕШЕНИЙ НА ОСНОВЕ GAN-ТРАНЗИСТОРОВ
Несмотря на значительные преимущества нитрида галлия перед кремнием, ряд проблем препятствует широкому распространению силовых устройств на его основе.
Стоимость. Высокая стоимость и небольшой размер (100 мм) подложек из GaN приводят к более высоким затратам на изготовление силовых устройств по сравнению с кремниевыми силовыми устройствами аналогичного номинала. Стоимость площади на GaN-подложках на порядок выше по сравнению с кремниевой подложкой диаметром 200 мм. Для снижения стоимости нитридгаллиевых приборов применяется эпитаксиальное наращивание GaN-гетероструктуры на кремниевой подложке.
Надежность. Перед широкомасштабным промышленным внедрением силовой электроники на базе GaN необходимо провести испытания надежности в полевых условиях. Транзисторы зарубежных поставщиков имеют ограниченную доступность в России, а их надежность еще не доказана. В технических паспортах на сайтах производителей часто не указываются важные параметры надежности, такие как номинальное значение dV / dt, энергия на переключение однократным импульсом (single pulse avalanche energy, EAS), область безопасной работы (Safe Operating Area, SOA) транзистора в зависимости от напряжения и тока, особенно при повышенных температурах. Это ограничивает применение решений на основе GaN.
Системная интеграция. Для раскрытия всех преимуществ GaN-транзисторов разработчикам придется заново перепроектировать существующие силовые системы. Из-за высокой скорости переключения схемы управления затвором для GaN-транзисторов сложнее, чем для Si-устройств. Также серьезной проблемой может стать синфазный шум. Это приводит к большой инерции при разработке силовых схем, вплоть до полного нежелания менять конструкцию. Для преодоления этой инерции необходимо продемонстрировать системы со значительно более высоким соотношением производительности к цене.
ЗАКЛЮЧЕНИЕ
В конце 1970-х годов основоположники кремниевых силовых МОП-транзисторов полагали, что у них есть технология, которая полностью вытеснит биполярные транзисторы. Сорок лет спустя остается множество приложений, в которых биполярные транзисторы предпочтительнее мощных МОП-транзисторов, но у последних из-за появления новых приложений размер рынка во много раз больше по сравнению с биполярной технологией. Сегодня GaN-технология находится в стадии становления. Производители GaN-транзисторов, подобно их предшественникам, занимавшимся кремниевыми МОП-транзисторами в середине 1970-х годов, находятся в поиске новых рыночных ниш и возможностей. В настоящее время кремниевая силовая электроника испытывает уменьшение отдачи от производительности по сравнению с затратами на инвестиции. На рынке появляется все больше и больше решений на основе GaN-транзисторов. Объемы производства растут, а интеграция приводит к созданию полнофункциональных систем на кристалле. Эта новая технология, скорее всего, станет доминирующей из-за ее преимуществ в производительности, размерах и термостабильности. Чтобы раскрыть огромный потенциал нитридгаллиевой силовой электроники, необходимо производить устройства с минимальными затратами для улучшения соотношения производительности и цены. И необходима также уверенность в надежности силовых устройств в реальных промышленных приложениях. Необходимо понимать механизмы отказа и связи свойств материалов с характеристиками надежности устройств в силовой электронике.
В. Беспалов, В. Егоркин, М. Журавлёв, Национальный исследовательский университет МИЭТ, +7 499 710-8665, maxim@org.miet.ru.
Статья впервые опубликована в журнале "ЭЛЕКТРОНИКА: НТБ" № 3 за 2022 год.
ЛИТЕРАТУРА
- Power Electronics Handbook. Fourth Edition / ed. Rashid M. H. Butterworth- Heinemann, 2018. P. 1522.
- Tan D. Emerging System Applications and Technological Trends in Power Electronics: Power electronics is increasingly cutting across traditional boundaries // IEEE Power Electronics Magazine, 2015, vol. 2, no. 2, pp. 38–47.
- Lutz J. et al. Semiconductor Power Devices. 1st ed. Berlin: Springer, 2011. P. 536.
- Каталог продукции фирмы Infineon. Раздел Power MOSFET https://www.infineon.com/cms/en/product/ power/mosfet/
- Каталог продукции фирмы Infineon. Раздел IGBT Discretes https://www.infineon.com/cms/en/product/ power/igbt/igbt-discretes/
- Amano, H. et al. The 2018 GaN power electronics roadmap // J. Phys. D. Appl. Phys. IOP Publishing, 2018, vol. 51, no. 16, р. 163001.
- Pirogova L. A., Grekoul V. I., Poklonov B. E. Estimated aggregate cost of ownership of a data processing center // Business Informatics, 2016, no. 2 (36), pp. 32–40.
- AlLee G. and Tschudi W. Edison Redux: 380 Vdc Brings Reliability and Efficiency to Sustainable Data Centers // IEEE Power and Energy Magazine, 2012, vol. 10, no. 6, pp. 50–59.
- Jones E. A. et al. Characterization of an enhancement-mode 650-V GaN HFET // 2015 IEEE Energy Conversion Congress and Exposition (ECCE), 2015, pp. 400–407.
- Zhao C. et al. Design and implementation of a GaN-based, 100-kHz, 102-W / in3 singlephase inverter // IEEE Trans. Emerging Sel. Top. Power Electron, 2016, vol. 4(3), pp. 824–840.
- Huang X., Lee F. C., Li Q., Du W. High frequency high efficiency GaN-based interleaved CRM bi-directional buck / boost converter with inverse coupled inductor // IEEE Trans. Power Electron. 2016, vol. 31 (6), pp. 4343–4352.
- Huber L., Jang Y. and Jovanovic M. M. Performance Evaluation of Bridgeless PFC Boost Rectifiers // IEEE Transactions on Power Electronics, 2008, vol. 23, no. 3, pp. 1381–1390.
- Infineon CoolGaN totem-pole PFC design guide and power loss modeling DG_1905_PL52_1907_154314.
- Liu Z., Lee F. C., Li Q., and Yang Y. Design of GaN-based MHz totem-pole PFC rectifier // IEEE J. Emerg. Sel. Top. Power Electron. 2016, vol. 4(3), pp. 799–807.
- Zhou L., Wu Y. F., Mishra U. True-bridgeless totem-pole PFC based on GaN HEMTs // (2013) PCIM Europe Conference Proceedings, pp. 1017–1022.
- Marxgut C., Krismer F., Bortis D., Kolar J. W. Ultraflat interleaved triangular current mode (TCM) single- phase PFC rectifier // IEEE Trans. Power Electron. 2014, vol. 29(2), pp. 873–882.
- WEBINAR: GaN Performance Advantage in Totem Pole PFC and LLC Converters https://gansystems.com / webinar- performance-advantage /
- Chellappan S. A comparative analysis of topologies for a bridgeless- boost pfc circuit // Texas instrument Analog Design Journal, 2018, vol. 3, no. 4, pp. 1–3.
- Liu Z., Huang Z., Lee F. C., Li Q. Digital-based interleaving control for GaN-based MHz CRM totem-pole PFC // IEEE Trans. Emerging Sel. Top. Power Electron. 2016, vol. 4(3), pp. 808–814.
- Yang B., Lee F. C., Zhang A. J., Huang G. LLC resonant converter for front end DC / DC conversion // Proc. IEEE APEC, 2002, pp. 1108–1112.
- Lidow A., Reusch D., Strydom J., GaN Integration for Higher DC-DC Efficiency and Power Density // пресс релиз компании EPC № AN018 https://epc-co.com/epc/ DesignSupport/ApplicationNotes.aspx
- Trung N. K. and Akatsu K. Design high power and high efficiency inverter operating at 13.56MHz for wireless power transfer systems // 2016 IEEE Energy Conversion Congress and Exposition (ECCE), 2016, pp. 1–8.
- Trung N. K. and Akatsu K. Design 13.56MHz 10 kW resonant inverter using GaN HEMT for wireless power transfer systems // 2017 IEEE Energy Conversion Congress and Exposition (ECCE), 2017, pp. 955–960.
- Jiang L., Costinett D., A. Fathy and Yang S. A single stage AC / RF converter for wireless power transfer applications // 2017 IEEE Applied Power Electronics Conference and Exposition (APEC), 2017, pp. 1682–1688.
- Lu X., Wang P., Niyato D., Kim D. I. and Han Z. Wireless Charging Technologies: Fundamentals, Standards, and Network Applications // IEEE Communications Surveys & Tutorials, 2016, vol. 18, no. 2, pp. 1413–1452.
- Zhao C. and Costinett D. GaN-Based Dual- Mode Wireless Power Transfer Using Multifrequency Programmed Pulse Width Modulation // IEEE Transactions on Industrial Electronics, 2017, vol. 64, no. 11, pp. 9165–9176.
- Zhao C., Costinett D., Trento B. and Friedrichs D. A single- phase dual frequency inverter based on multi- frequency selective harmonic elimination // 2016 IEEE Applied Power Electronics Conference and Exposition (APEC), 2016, pp. 3577–3584.
Понравилась статья? Поставьте лайк

Industry Hunter
только что